- 產品概述
- 選型參數
- 應用領域
- 型號意義
一、概述:
S型玻璃鋼泵,其過流部件為聚乙烯醇縮丁醛、改性酚醛玻璃纖維材料經高溫模壓而成,具有良好的耐腐蝕、耐溫性,該型泵具有重量較輕、強度較高、不易變形等特點。軸封采用機械密封。
S型臥式玻璃鋼離心泵,是我公司近幾年來研制開發的新產品,結構設計先進合理,標準化程度高,零件通用性,互換性強,拆卸栓修十分方便接觸介質的零部件,采用聚乙烯醇縮丁醛改性酚醛玻璃纖維,經高溫橫壓成形的酚醛玻璃鋼制作,產品具有輕質、不變形、耐溫、耐腐蝕等優良性能。在防腐方面可部分替代含鉬不銹鋼,鈦及鈦合金等貴重金屬。
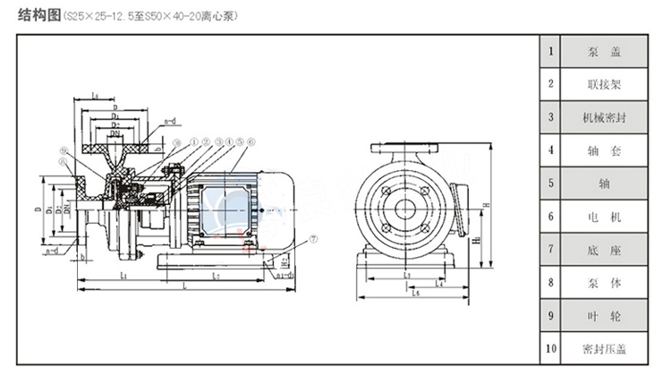
軸封:采用WB2型外裝式F4紋機械密封,密封可靠,使用時間長。
泵的傳動和旋轉方向,泵通過抓型彈性聯軸器,由電動機直接驅動,從電動機端看泵為順時針方向旋轉。

二、使用范圍 :
本泵主要用于石化、冶煉、染料、印染、農藥、制藥、稀土、皮革等行業,輸送不含固體顆粒、不易結晶、溫度不高于90℃的各種非氧化性酸(鹽酸、稀硫酸、甲酸、醋酸、丁酸)等腐蝕性介質。
三、結構圖:
四、型號意義:

五、性能參數:
|
型號 |
流量 |
揚程 |
轉速 |
效率 |
汽蝕余量 |
電機功率 |
|
S25×25-12.5 |
3.2 |
12.5 |
2900 |
41 |
3 |
0.75 |
|
S40×32-20 |
6.3 |
20 |
2900 |
50 |
3 |
1.1 |
|
S40×32-32 |
6.3 |
32 |
2900 |
45 |
3 |
2.2 |
|
S50×40-20 |
12.5 |
20 |
2900 |
53 |
3 |
2.2 |
|
S50×32-32 |
12.5 |
32 |
2900 |
51 |
3 |
4.0 |
|
S65×50-20 |
25 |
20 |
2900 |
64 |
3 |
3.0 |
|
S65×50-25 |
25 |
25 |
2900 |
61 |
3 |
3.0 |
|
S65×50-32 |
25 |
32 |
2900 |
60 |
3 |
5.5 |
|
S80×55-32 |
50 |
32 |
2900 |
69 |
4 |
7.5 |








- 上一個產品: PPS-32型塑料手搖插桶泵
- 下一個產品: SL型立式玻璃鋼管道泵





















