


- 產品概述
一、產品概述:
上奧公司生產ZH-100A型加油泵,適用于各地中小型油庫、加油站、農機站、企業廠礦車隊、車輛、船舶等單位吸送各種油料、如汽油、柴油、煤油、機油、各種食品油等。本泵結構緊湊、質量可靠、性能穩定、移動方便、操作簡便,只要往復搖動手柄即可連接出油,并裝置有25毫米流量表,每分鐘流量50升,指針可回零。
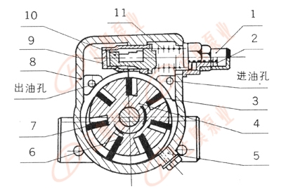
二、產品結構:
三、技術規范:
型 號
|
進出
口徑
mm
|
流量
范圍
L/min
|
吸程
m
|
揚程
m
|
往復
次數
次/分
|
最大
流量
誤差
|
活塞
口徑
mm
|
重量
Kg
|
累積
計數
范圍
|
備注
|
ZH-100A
|
25
|
50~60
|
4
|
20
|
30~45
|
±2%
|
100
|
35
|
999
|
鑄鐵
手動
|
- 上一個產品: JB-70型手搖、電動二用計量加油泵
- 下一個產品: LLY型計量加油槍