- 產品概述
- 選型參數
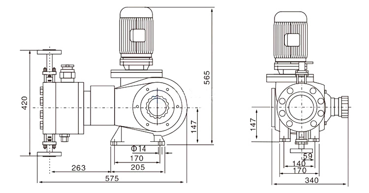
- 安裝尺寸
- 應用領域
一、DY-ZR型液壓隔膜式計量泵產品介紹:
1. 流量范圍: 0-700 L/H
2. 壓力范圍: 0-22 MPA
3. 驅動系統: 兩相、三相標準電極或防爆電機
4. 流量控制: 手動控制或自動控制
●標配:泵頭304 電機380V 50Hz
●選配:泵頭316、防爆電機、變頻電機、電機420V、220V、110V

二、DY-ZR型液壓隔膜式計量泵產品特點:
1. 先進的液壓系統設計,安全無泄漏。
2. 工作壓力最高可達30MPa,計量精度±1%。
3. 泵在運行和停止狀態都可調節流量。
4. 介質的使用溫度不宜超過100℃,不低于-30℃,否則影響隔膜的使用壽命。
5. 能定量輸送酸、堿、水以及各種特殊介質。
6. 在泵頭內無介質的狀態下也可以安全運行。
7. 無噪音、體積小、操作簡單、維修方便。
三、DY-ZR型液壓隔膜式計量泵主要應用:
適用于由一般的常溫清水甚至具有強腐蝕、易揮發、易結晶、易燃、易爆、劇毒、腐蝕性強,有放射性或其它貴重液體等等。同時也可以輸送懸浮液體。為了防止隔膜破裂后,介質與液壓油混合引起事故,對易燃易爆、劇毒及貴重液體的輸送可選用雙隔膜計量泵并帶隔膜破裂報警裝置。
三、DY-ZR型液壓隔膜式計量泵參數選型:

- 上一個產品: DJ-D2型隔膜式計量泵
- 下一個產品: DY-X型液壓隔膜式計量泵



























